Люфт-детектор ДЛ-003 (канавный вариант) для легковых автомобилей до 3 тонн. Предназначен для контроля наличия зазоров в подшипниках, шарнирах и других подвижных узлах подвески автомобиля, рулевого управления, а также оценки степени их износа при проведении диагностики подвески автомобиля, а так же на линиях инструментального контроля. Люфт-детектор может устанавливаться как на подъемнике, так и на смотровой канаве. Гидравлический привод. Сделано в России.
| Страна производства | Россия |
| Бренд | АвтоТЕХснаб (Россия) |
Характеристики
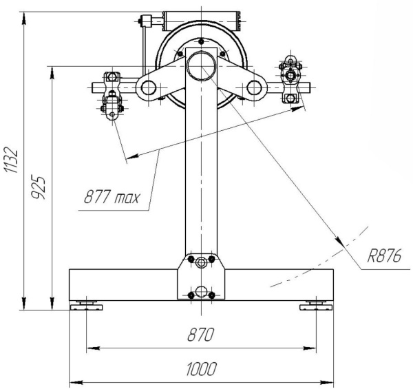
Люфт-детектор ДГ-015 (канавный вариант) для грузовых автомобилей до 16 тонн. Предназначен для контроля наличия зазоров в подшипниках, шарнирах и других подвижных узлах подвески автомобиля, рулевого управления, а также оценки степени их износа при проведении диагностики подвески автомобиля, а так же на линиях инструментального контроля. Сделано в России.
| Страна производства | Россия |
| Бренд | АвтоТЕХснаб (Россия) |
Характеристики
Стенд универсальный передвижной Р-500Е (500 кг) для ремонта двигателей, КПП, задних мостов весом до 500 кг. Вес 160 кг. Привод - механический ручной через червячный редуктор. Вращение через само тормозящийся редуктор, разборный, на колесах. Предназначен для сборки-разборки двигателей автомобилей и других агрегатов отечественного и импортного производства. Позволяет повернуть и зафиксировать закрепленный на стенде двигатель или другой узел так, для удобства работы. Сделано в России.
| Страна производства | Россия |
| Бренд | АвтоТЕХснаб (Россия) |
| Масса | 160 |
| Грузоподъемность | 500 |
Характеристики
Установка М216Е2 для мойки агрегатов, двигателей, трансмиссий и деталей грузовых автомобилей, автобусов, тракторов, строительных, сельскохозяйственных и других машин.узлов, струйная с вращающимся коллектором. Мойка осуществляется горячей водой и моющими растворами. Максимальная масса загружаемых деталей 1000 кг, максимальный размер промываемых деталей 2600х1100х1100 мм. Сделано в России.
| Страна производства | Россия |
| Бренд | АвтоТЕХснаб (Россия) |
| Грузоподъемность корзины | 1000 |
| Привод корзины | струйный |
| Напряжение питания | 380 |
Характеристики
Стенд Р-500Е (800 кг) стационарный для ремонта двигателей, КПП, задних мостов весом до 800 кг. Привод - механический. Предназначен для сборки-разборки двигателей автомобилей и других агрегатов отечественного и импортного производства. Самотормозящийся червячный редуктор позволяет повернуть и зафиксировать закрепленный на стенде двигатель или другой узел так, чтобы было удобно и качественно производить ремонтные работы. Сделано в России.
| Страна производства | Россия |
| Бренд | АвтоТЕХснаб (Россия) |
| Масса | 160 |
| Тип привода | Ручной |
| Грузоподъемность | 800 |
Характеристики
Стенд универсальный Р-1250 для ремонта двигателей, КПП, задних мостов весом для автомобилей легкого и среднего класса и других агрегатов весом не более 1250 кг в подвешенном состоянии. Привод - механический. Способ поворота ручной через червячный редуктор позволяет повернуть и зафиксировать закрепленный на стенде двигатель или другой узел в нужном положении.
| Страна производства | Россия |
| Бренд | АвтоТЕХснаб (Россия) |
| Тип привода | Ручной |
Характеристики
Стенд универсальный для ремонта ДВС, КПП и др. Р776Е (стационарный) Предназначен для разборки-сборки двигателей и других агрегатов весом до 2000 кг. Привод - ручной через червячный редуктор. Самотормозящийся червячный редуктор позволяет повернуть и зафиксировать закрепленный на стенде двигатель или другой агрегат так, чтобы персоналу было удобно качественно производить ремонтные работы. Масса 250 кг.
| Страна производства | Россия |
| Бренд | АвтоТЕХснаб (Россия) |
| Масса | 250 |
| Тип привода | ручной |
| Грузоподъемность | 2000 |
Характеристики
Стенд универсальный Р-776Е (стационарный) предназначен для разборки-сборки V-образных двигателей, КПП, задних мостов и других агрегатов отечественного и импортного производства весом не более 3000 кг. Привод - механический, ручной. Высокая универсальность достигается возможностью установки различных двигателей, КПП, задних мостов и других агрегатов с помощью специальных адаптеров. Червячный редуктор обеспечивает поворот двигателя и фиксацию его в удобном положении. Сделано в России.
| Страна производства | Россия |
| Бренд | АвтоТЕХснаб (Россия) |
| Масса | 385 |
| Тип привода | ручной |
| Грузоподъемность | 3000 |
Характеристики
Стенд универсальный передвижной для ремонта ДВС, КПП Р-776Е и др. агрегатов весом до 2000 кг. Привод - ручной через червячный редуктор, передвижной. Предназначен для разборки-сборки двигателей и других агрегатов весом до 2000 кг. Самотормозящийся червячный редуктор позволяет повернуть и зафиксировать закрепленный на стенде двигатель или другой агрегат так, чтобы персоналу было удобно качественно производить ремонтные работы. Сделано в России.
| Страна производства | Россия |
| Бренд | АвтоТЕХснаб (Россия) |
| Масса | 250 |
| Тип привода | ручной |
| Грузоподъемность | 2000 |
Характеристики
Стенд универсальный с электроприводом Р770Е универсальный, предназначен для разборки-сборки V-образных двигателей, КПП, задних мостов и других агрегатов отечественного и импортного производства весом не более 3000 кг. Высокая универсальность достигается возможностью установки различных двигателей, КПП, задних мостов и других агрегатов с помощью специальных адаптеров. Червячный редуктор обеспечивает поворот двигателя и фиксацию его в удобном положении. Сделано в России.
| Страна производства | Россия |
| Бренд | АвтоТЕХснаб (Россия) |
| Масса | 445 |
| Мощность, кВт | 0,75 |
| Тип привода | электромеханический |
| Напряжение питания | 380 |
| Грузоподъемность | 3000 |
Характеристики
Подъемник гидравлический параллелограммный 12Г272М для подъема легковых и грузовых автомобилей, автобусов при выполнении работ по техническому обслуживанию, ремонту, диагностике и инструментальному контролю. Грузоподъемность 12 тонн. Выпускается в напольном исполнении и в исполнении "ровный пол". Может комплектоваться люфт-детектором, гидравлической навесной траверсой, въездными скатами. Сделано в России.
| Страна производства | Россия |
| Бренд | АвтоТЕХснаб (Россия) |
| Питающая сеть | 380 |
| Тип привода | Электрогидравлический |
| Тип автомобиля | грузовой |
Характеристики
Подъемник гидравлический параллелограммный 24Г272М для подъема легковых и грузовых автомобилей, автобусов при выполнении работ по техническому обслуживанию, ремонту, диагностике и инструментальному контролю. Грузоподъемность 24 тонны. Выпускается в напольном исполнении и в исполнении "ровный пол" Может комплектоваться люфт-детектором, гидравлической навесной траверсой, въездными скатами. Сделано в России.
| Страна производства | Россия |
| Бренд | АвтоТЕХснаб (Россия) |
| Питающая сеть | 380 |
| Тип привода | Электрогидравлический |
| Тип автомобиля | грузовой |
Характеристики
Шиномонтажный стенд для грузовых автомобилей от 14 до 26 дюймов Ш-515Е Предназначен для демонтажа и монтажа шин грузовых автомобилей, автобусов, строительных и сельскохозяйственных машин с диаметром 14-26" и шириной колеса до 800 мм, диаметр колеса 1640 мм. Система гидравлики и электросхема выполнены на компонентах итальянского и немецкого производства. Все детали качественно окрашены методом порошковой окраски и оцинкованы. Сделано в России.
| Страна производства | Россия |
| Бренд | АвтоТЕХснаб (Россия) |
| Масса | 625 |
| Мощность, кВт | 1,5+1,5 |
| Мах.диаметр колеса | 1640 |
| Max вес колеса | 1500 |
| Тип управления | Полуавтоматический |
| Диаметр диска | 26 |
| Напряжение питания | 380 |
| Мах.ширина колеса | 800 |
Характеристики
Шиномонтажный стенд для грузовых автомобилей от 14 до 42 дюймов Ш-515ЕУ с расширением до 52 дюймов (опция). Предназначен для демонтажа и монтажа шин грузовых автомобилей, автобусов, строительных и сельскохозяйственных машин с диаметром 14-52" и шириной колеса до 950 мм, диаметр колеса 2300 мм. Система гидравлики и электросхема выполнены на компонентах итальянского и немецкого производства. Все детали качественно окрашены методом порошковой окраски и оцинкованы. Сделано в России.
| Страна производства | Россия |
| Бренд | АвтоТЕХснаб (Россия) |
| Масса | 882 |
| Мощность, кВт | 1,5+2,2 |
| Мах.диаметр колеса | 2300 |
| Max вес колеса | 1400 |
| Питающая сеть | 380 |
| Тип управления | Полуавтоматический |
| Диаметр диска | 52 |
| Мах.ширина колеса | 950 |
Характеристики
Подъемник гидравлический 12Г272МЕ грузоподъемность 12 тонн Предназначен для подъема легковых и грузовых автомобилей, автобусов при выполнении работ по техническому обслуживанию, ремонту, диагностике и инструментальному контролю. Новая конструкция подъемника дает уникальную возможность производить демонтаж и монтаж мостов, колес, КПП, двигателей. Отсутствие нижней рамы обеспечивает более удобный доступ к автомобилю.
| Страна производства | Россия |
| Бренд | АвтоТЕХснаб (Россия) |
| Питающая сеть | 380 |
| Тип привода | Электрогидравлический |
| Тип автомобиля | грузовой |
Характеристики
Запросить цену
Наши менеджеры обязательно свяжутся с вами и уточнят условия поставки
Купить со скидкой
В рассрочку
Подъёмник канавный П114Е-10 передвижной, привод - ручной (гидравлический), грузоподъёмность 10 тонн. Предназначен для вывешивания над смотровой канавой или подъемником передних или задних мостов автомобилей, автобусов, тракторов, строительных и сельскохозяйственных машин. Способ передвижения - ручной; тележка с гидроцилиндром и насосом имеет возможность перемещения вдоль и поперек канавы. Изготавливается по вашим размерам. Подробнее ...
| Страна производства | Россия |
| Бренд | АвтоТЕХснаб (Россия) |
| Тип привода | Ручной |
Характеристики
Подъёмник напольный передвижной грузоподъёмность 10 тонн П114Е-10-2 привод - ручной (гидравлический) Высота подъема 750 мм. Компактное основание подъемника (750х900 мм) обеспечивает широкую область применения и не требует дополнительных затрат на устройство направляющих по краям и полу смотровой канавы для передвижения подъемника. Высота может быть выставлена пошагово в 1180/1380/1592 мм. Изготавливается по вашим размерам. Подробнее ...
| Страна производства | Россия |
| Бренд | АвтоТЕХснаб (Россия) |
| Тип привода | Ручной |
Характеристики
Подъёмник канавный передвижной с интегрированной системой поддержки П114Е-10-1 привод - ручной (гидравлический), грузоподъёмность 10 тонн. Предназначен для вывешивания над смотровой канавой или подъемником передних или задних мостов автомобилей, автобусов, тракторов, строительных и сельскохозяйственных машин. Способ передвижения - ручной; тележка с гидроцилиндром и насосом имеет возможность перемещения вдоль и поперек канавы. Изготавливается по вашим размерам канавы. Подробнее ...
| Страна производства | Россия |
| Бренд | АвтоТЕХснаб (Россия) |
| Тип привода | Ручной |
Характеристики
Подъёмник напольный передвижной грузоподъёмность 16 тонн П-114Е-16-2 привод - ручной (гидравлический) Высота подъема 750 мм. Компактное основание подъемника (750х900 мм) обеспечивает широкую область применения и не требует дополнительных затрат на устройство направляющих по краям и полу смотровой канавы для передвижения подъемника. Высота может быть выставлена пошагово в 1180/1380/1592 мм. Изготавливается по вашим размерам. Подробнее ...
| Страна производства | Россия |
| Бренд | АвтоТЕХснаб (Россия) |
| Тип привода | Ручной |
Характеристики
Подъёмник канавный передвижной с интегрированной системой поддержки П114Е-16-1 привод - ручной (гидравлический), грузоподъёмность 16т. для вывешивания над смотровой канавой или подъемником передних или задних мостов автомобилей, автобусов, тракторов, строительных и сельскохозяйственных машин. Способ передвижения - ручной; тележка с гидроцилиндром и насосом имеет возможность перемещения вдоль и поперек канавы. Изготавливается по вашим размерам. Подробнее ...
| Страна производства | Россия |
| Бренд | АвтоТЕХснаб (Россия) |
| Тип привода | Ручной |
Характеристики

